Tabla de Contenido del Articulo
- 1. Criterios para Selección de Contactores
- 2. Aplicaciones por Categoría de Empleo
- 3. Ejemplos de aplicación
- 3.1 Selección de Contactor para circuito de distribución
- 3.2 Selección de un contactor para instalaciones de iluminación
- 3.3 Selección de un contactor para un circuito de calefacción
- 3.4 Selección de contactor para primario de un transformador
- 3.5 Selección de un contactor para acoplamiento de condensadores o baterías de condensadores
- 3.6 Selección de un contactor para un motor asíncrono de jaulacorte con motor lanzado
- 3.7 Selección de un contactor para un motor asíncrono de jaula o de anillos.Corte durante el arranque o el frenado
- 3.8 Selección de un contactor para cortocircuitar resistencias estatóricas
- 3.9 Selección de un contactor para circuitos de potencia en corriente continua o de DC
Son muchas y variadas las aplicaciones que requieren contactores. La elección del contactor con su capacidad nominal de corriente más apropiada depende directamente de las características de cada aplicación. Los fabricantes incluyen en sus catálogos tablas que permiten determinar el calibre de los contactores en función del tipo general de aplicación (distribución o control de motores) y de las tensiones y corrientes utilizadas. Dichas tablas se establecen para cadencias de funcionamiento menores a 30 ciclos de maniobras por hora (los motores estándar admiten 6 arranques por hora), una temperatura ambiente de 40°C, y una tensión igual o menor a 440 V. En estas condiciones, un contactor puede conmutar una corriente igual a su propia corriente asignada de empleo según las categorías de empleo AC-1 o AC-3.
En los demás casos puede ser necesaria una desclasificación, es decir, utilizar un contactor de calibre superior que se determina consultando las tablas o curvas correspondientes.Elegir un contactor para una aplicación concreta significa fijar la capacidad de un aparato para establecer, soportar e interrumpir la corriente en el receptor que se desea controlar, en unas condiciones de utilización establecidas, sin recalentamientos ni desgaste excesivo de los contactos.Para elegir correctamente el contactor hay que tener en cuenta el tipo y las características del circuito o del receptor que se desea controlar (intensidad y tipo de corriente, tensión, regímenes transitorios en la puesta bajo tensión, etc.), las condiciones de explotación (ciclos de maniobras/hora, factor de marcha, corte en vacío o en carga, categoría de empleo, tipo de coordinación, durabilidad eléctrica deseada, etc.), y las condiciones del entorno (temperatura ambiente, altitud cuando sea necesario, etc.).
El estándar IEC 60947-4-1 trata sobre contactores diseñados para baja tensión a tensiones menores a 1000 Voltios tanto ac como dc, también habla sobre arrancadores electrónicos. En este articulo veremos específicamente las categorías de empleo de la norma internacional para que comprendamos como se selecciona y dimensiona el contactor correspondiente a nuestra aplicación ya que estas categorías son fundamentales para seleccionar dispositivos que garanticen la seguridad, durabilidad y eficiencia en los sistemas eléctricos.
1. Criterios para Selección de Contactores
La elección de un contactor requiere un análisis detallado de múltiples factores que determinarán su rendimiento y durabilidad. Los criterios fundamentales incluyen:
- Tipo y características del circuito o receptor
- Condiciones de explotación
- Factores ambientales
- Categoría de empleo
- Frecuencia de maniobras
- Los fabricantes proporcionan tablas de selección basadas en condiciones estándar:
- Cadencia de funcionamiento: < 30 ciclos de maniobras por hora
- Temperatura ambiente: 40°C
- Tensión: ≤ 440 V
2. Aplicaciones por Categoría de Empleo
| Categoría | Aplicaciones | Características |
|---|---|---|
| AC-1 |
|
|
| AC-2 |
|
|
| AC-3 |
|
|
| AC-4 |
|
|
2.1 Criterios de Selección
- Corriente Nominal:
- Calcular según potencia y tensión del receptor.
- Considerar picos transitorios (ej: 18-30× en transformadores).
- Categoría de Empleo (AC):
- AC-1 para cargas resistivas; AC-3/AC-4 para motores.
- Frecuencia de Maniobras:
- <30 ciclos/hora para AC-1; hasta 3.600 para AC-4 (con desclasificación).
- Temperatura Ambiente:
- Si supera 40°C, seleccionar calibre superior.
- Ej: A 55°C, reducir corriente asignada en 20%.
- Tensión y Protección:
- Verificar tensión máxima (≤440 V para tablas estándar).
- Coordinar con fusibles clase gG o relés térmicos.
3. Ejemplos de aplicación
3.1 Selección de Contactor para circuito de distribución
Un circuito de distribución alimenta uno o varios cuadros de distribución o circuitos terminales, como motores, sistemas de calefacción, de alumbrado, etc.
En un circuito de distribución, el contactor se puede utilizar de dos formas distintas:
Como contactor de línea
El contactor, que suele ser de gran calibre, debe asociarse con dispositivos de protección contra los cortocircuitos y las sobrecargas de las líneas de distribución.
El servicio tiene una duración prolongada y un número de ciclos de maniobras reducido. En la mayoría de los casos, el cierre se realiza en vacío y la apertura en carga normal. El poder de corte del conjunto debe ser elevado y el contactor debe estar coordinado con los demás dispositivos de protección para evitar cualquier accidente.
Como contactor de acoplamiento
En este caso, el contactor situado corriente abajo del dispositivo general de corte se utiliza para alimentar varios dispositivos locales.
Como en el caso anterior, el servicio tiene una duración prolongada y un número de ciclos de maniobras reducido.
El cierre y la apertura suelen producirse cuando no hay corriente.
Por lo tanto, el cos φ no es relevante y sólo se tiene en cuenta la corriente térmica.
Para determinar el calibre del contactor basta con consultar la tabla de elección teniendo en cuenta:
– la corriente térmica máxima admisible en categoría AC-1 (ver la tabla de la página 60),
– la temperatura ambiente: si supera los 40 °C puede ser necesario un contactor de mayor calibre,
– la sección de los cables de conexión, que debe ser igual o menor a la indicada.

En un sistema trifásico de 400 V con una potencia de carga de 22 kW, el cálculo de la corriente absorbida se realiza mediante la fórmula I = 22,000 / (400 × 1.732) = 32 A. Esta corriente representa el valor nominal que el contactor debe soportar en condiciones térmicas estables. Para garantizar un funcionamiento seguro y duradero, se selecciona un contactor cuya corriente térmica convencional sea igual o superior a 32 A en la categoría de empleo AC-1 y a una temperatura ambiente de 55 °C. En este caso, el modelo LC1 D25 cumple con los requisitos, ya que está diseñado para operar con corrientes de hasta 40 A en AC-1 a 40 °C, ofreciendo un margen adecuado incluso en entornos con temperaturas moderadamente elevadas.
Caso monofásico:
- Si la alimentación es monofásica y la corriente térmica es idéntica, se puede utilizar un contactor tetrapolar conectando los polos en paralelo de dos en dos.
- Corriente ajustada:
- Contactor seleccionado: LC1 D12 (calibre inferior en AC-1
3.2 Selección de un contactor para instalaciones de iluminación
Los circuitos de alumbrado se calculan para un número determinado de puntos luminosos con potencias bien definidas. Durante la explotación pueden cambiar el número y la potencia de los puntos luminosos, pero nunca sobrepasan la potencia máxima prevista en un principio. En estas condiciones no hay riesgo de que se produzcan sobreintensidades de sobrecarga, y basta con proteger el circuito contra los cortocircuitos utilizando, por ejemplo, fusibles de distribución de clase Gg. La elección de los contactores depende tanto del factor de potencia y de la corriente absorbida en servicio normal como de la corriente transitoria en la puesta bajo tensión de ciertas lámpara

Lámparas de filamento
Esta aplicación requiere pocos ciclos de maniobras. Como el cos φ se aproxima a 1, sólo hay que tener en cuenta la corriente térmica. En la puesta bajo tensión (cuando los filamentos están fríos y, por tanto, son poco resistentes) se produce un pico de corriente que puede variar entre 15 y 20 In, en función de la distribución de las lámparas en la línea. Es necesario elegir un contactor capaz de establecer esta corriente de pico.
Si el circuito es monofásico, se puede instalar un contactor tetrapolar con los polos montados en paralelo de dos en dos. En tal caso, la corriente no se reparte por igual en cada polo, por lo que conviene aplicar al valor de la corriente térmica convencional del contactor un coeficiente de 1,6 en lugar de 2.
Ejemplo
- U = 400 V trifásica
- Distribución uniforme de las lámparas entre las fases y el neutro, es decir, en 230 V
- Potencia total de las lámparas = 22 kW
- Ip = 18 In
Las lámparas están conectadas entre las fases y el neutro, por lo que la corriente de línea es de:
I = (22.000) / (3 × 230) = 32 A
La corriente de pico llega a 32 × 18 = 576 A.
En tal caso, se puede utilizar un contactor válido, por ejemplo, para 32 A en categoría AC-1, aunque no hay que olvidar el poder asignado de corte: con un valor de cresta de 576 A y un poder de cierre con un valor eficaz, será necesario elegir un contactor con un poder de cierre de 576/√2 = 408 A.
Se puede utilizar un contactor LC1 D25 de 40 A en AC-1 para una temperatura ambiente de 40 °C (32 A en AC-1 para 55 °C) y un poder asignado de corte de 450 A.
Tubos fluorescentes
Funcionan con un ballast que absorbe una potencia adicional de aproximadamente 10 W. El factor de potencia se aproxima a 0,4 sin compensación y equivale a 0,9 con compensación. Como el condensador de compensación suele ser reducido (< 10 μF), no se tiene en cuenta para determinar el contactor. Para elegir el contactor de control es necesario calcular la corriente la que absorben las lámparas (conjuntos de tubo + ballast) según:
- el catálogo del fabricante de las lámparas,
- o la relación:
I = [n(P + p)] / [U × cos φ]
donde:- n = número de lámparas
- P = potencia de cada lámpara
- p = potencia del ballast, es decir 10 W para P = 20 a 65 W
- cos φ = 0,4 sin compensación o 0,9 con compensación
El contactor se elige para que:
IAC-1 @ 55 °C ≥ In × 0,8
Ejemplo
- U = 440 V trifásico
- Tubos fluorescentes compensados, conectados entre fase y neutro, con una potencia unitaria de 65 W y de aproximadamente 22 kW en total
- Potencia por fase: 22/3 = 7,3 kW
- Número de lámparas por fase: 7.300/65 = 112
Corriente total absorbida:
I = [112 × (65 + 10)] / [230 × 0,9] = 41 A
Elegiremos un contactor con una corriente de empleo asignada igual o superior a 41/0,8 = 51 A en AC-1 y a 55 °C, es decir, un contactor LC1 D40.
Lámparas de descarga
Funcionan con un ballast, un debador y un condensador de compensación. Aunque el valor del condensador no suele rebasar 120 μF, hay que tenerlo en cuenta para determinar el contactor. Para elegir el contactor hay que calcular la corriente la absorbida por las lámparas (conjuntos lámpara + ballast compensado) según:
- el catálogo del fabricante de las lámparas,
- o la relación:
I = [n(P + 0,03P)] / [U × cos φ]
donde:- n = número de lámparas
- P = potencia de cada lámpara
- p = potencia del ballast = 0,03 P
- cos φ = 0,9
El contactor se elige para que:
IAC-1 @ 55 °C ≥ In × 0,6
Es necesario ratificar la elección comprobando que el valor del condensador de compensación es compatible con el contactor. Por ejemplo, la siguiente tabla:
| Tamaño del contactor | D09/D12 | D18 | D25 | D32 | D40/D50 | D65/D80/D95 |
|---|---|---|---|---|---|---|
| Condensador (μF) | 18 | 25 | 60 | 96 | 60 | 240 |
Ejemplo
- U = 400 V trifásica
- Lámparas de descarga conectadas entre fase y neutro, con una potencia unitaria de 1 kW y de aproximadamente 21 kW en total
- Condensador de compensación = 100 μF
- Potencia por fase: 21/3 = 7 kW
- Número de lámparas por fase: 7/1 = 7
Corriente absorbida por fase:
IB = [7 × (1.000 + 30)] / [230 × 0,9] = 35 A
Elegiremos un contactor con una corriente de empleo asignada igual o superior a 35/0,6 = 58 A en AC-1 a 55 °C, es decir un contactor LC1 D50. Este contactor admite una compensación de 120 μF por cada lámpara.
3.3 Selección de un contactor para un circuito de calefacción
Un circuito de calefacción es un circuito terminal que alimenta uno o más elementos de calefacción resistentes controlados con un contactor. La variación de la resistencia entre los estados frío y caliente origina un pico de corriente que nunca sobrepasa 2 o 3 In en la puesta bajo tensión. Normalmente, en este circuito no se producen sobreintensidades de corriente, por lo que basta con protegerlo contra los cortocircuitos utilizando, por ejemplo, contactores fusibles de clase Gg.
Esta aplicación pertenece a la categoría de empleo AC-1: control de hornos, regulación, calefacción industrial, secado, calefacción doméstica, piscinas, cubetas, etc. Requiere pocos ciclos de maniobras. Como el cos φ se aproxima a 1, sólo hay que tener en cuenta la corriente térmica convencional.
Como en el caso anterior, si el circuito es monofásico se puede utilizar un contactor tetrapolar con los polos conectados en paralelo de dos en dos.
Ejemplo
- U = 400 V trifásico
- P = 22 kW
Corriente absorbida por las resistencias:
I = P / (U × √3) = 22.000 / (400 × 1,732) = 32 A
Solución: Elegiremos un contactor con una corriente térmica convencional de este valor como mínimo en categoría AC-1 a 55 °C, es decir, un contactor LC1 D25.
Si, por ejemplo, la alimentación fuera monofásica y la corriente térmica idéntica, podríamos utilizar un contactor tetrapolar conectando los polos en paralelo de dos en dos. En tal caso, habría que tener en cuenta una corriente de 32/1,6 = 20 A, lo que permitiría utilizar en la misma categoría AC-1 un contactor LC1 D12, es decir, un contactor de calibre inferior.
Consideraciones técnicas
- Categoría AC-1: Aplicación para cargas resistivas con bajo estrés térmico.
- Picos de corriente: Limitados a 2-3 In durante el arranque.
- Configuración monofásica: Requiere redistribución de polos con coeficiente de seguridad 1,6.
| Modelo | Corriente AC-1 @55°C | Poder de cierre |
|---|---|---|
| LC1 D12 | 20 A | 250 A |
| LC1 D25 | 32 A | 450 A |
3.4 Selección de contactor para primario de un transformador
Independientemente de la carga conectada en el secundario, el pico de corriente magnetizante (valor de cresta) que se produce cuando se pone bajo tensión el primario de un transformador puede llegar a ser, durante la primera mitad de onda, de 25 a 30 veces el valor de la corriente nominal. Es pues necesario tenerla en cuenta para establecer el calibre de los fusibles de protección y del contactor.
Ejemplo
- U = 400 V trifásico
- Potencia del transformador = 22 kVA
Corriente nominal absorbida por el primario del transformador:
I = SU√3 = 22.000400 × 1,732 = 32 A
Valor de la corriente de cresta de la primera mitad de onda:
In × pico = 32 × 30 = 960 A
La corriente obtenida al multiplicar el poder asignado de cierre del contactor por √2 debe ser igual o superior a este valor. Por lo tanto, se necesita un contactor con un poder asignado de cierre ≥ 960/√2 = 679 A, es decir, un contactor LC1 D40 con un poder de cierre de 800 A.
| Tamaño contactor | D09/D12 | D18 | D25 | D32 | D40/D50 | D65/D80/D95 |
|---|---|---|---|---|---|---|
| Condensador (μF) | 18 | 25 | 60 | 96 | 60 | 240 |
Consideraciones clave
- El poder de cierre debe soportar fuerzas de repulsión electromagnética
- Verificar siempre la coordinación con protecciones (IEC 60947-4-1)
- Temperatura de operación máxima: 55°C en entorno del contactor
3.5 Selección de un contactor para acoplamiento de condensadores o baterías de condensadores
El acoplamiento de los condensadores utilizados para elevar el factor de potencia de una instalación presenta las siguientes particularidades:
- En la puesta bajo tensión los condensadores se encuentran completamente descargados, por lo que el único límite del pico de corriente, que corresponde a la corriente de cortocircuito, es la impedancia de la línea y/o del transformador. Este pico de corriente, muy breve pero muy intenso, es aún mayor cuando los condensadores ya están acoplados a causa de la descarga parcial de estos últimos. Esto sucede, en concreto, cuando el factor de potencia se regula en cascada de forma automática, especialmente para el último contactor. Cuando existe el riesgo de que el pico de corriente perturbe la línea de alimentación o sobrepase el valor de la corriente de cresta que tolera el contactor, es necesario limitarla introduciendo en el circuito induciencias (algunas espiras de cable de sección apropiada) o resistencias que después del pico se dejan fuera de servicio.
- En régimen permanente, además de la corriente nominal absorbida por la batería, las corrientes armónicas circulan dentro del circuito. Como el efecto de estas corrientes es esencialmente térmico, es necesario tenerlas en cuenta para elegir el calibre del contactor.
- Para favorecer la descarga de los condensadores al desconectarlas y evitar oposiciones de fase durante las operaciones posteriores, en el momento en que se abre el contactor de línea se insertan automáticamente unas resistencias en las bornas de la batería que, además, garantizan la seguridad del personal, por lo que es necesario comprobar el circuito periódicamente.
Ejemplo 1
- U = 400 V trifásico
- 1 escalón de compensación de 22 kVAr
I = Q / (U√3) = 22.000 / (400 × 1,732) = 32 A
Las normas sobre condensadores recomiendan utilizar un contactor con una corriente térmica en AC-1 igual a 1,43 veces la corriente de empleo. Utilizar un contactor con una corriente de empleo ≥ 32 × 1,43 = 46 A en categoría de empleo AC-1 a 55 °C, es decir, un LC1 D40.
Ejemplo 2
- U = 400 V trifásico
- 4 escalones de compensación de 22 kW cada uno
Utilizar un contactor específico con resistencias de amortiguación, es decir, un LC1 DPK12.
| Tamaño contactor | D09/D12 | D18 | D25 | D32 | D40/D50 | D65/D80/D95 |
|---|---|---|---|---|---|---|
| Condensador (μF) | 18 | 25 | 60 | 96 | 60 | 240 |
Consideraciones técnicas
- El poder de cierre asignado debe superar el valor de cresta de la corriente transitoria
- En instalaciones con múltiples escalones, considerar contactores especiales para el último tramo
- Verificar periódicamente el estado de las resistencias de descarga

3.6 Selección de un contactor para un motor asíncrono de jaula
corte con motor lanzado
Esta es la aplicación más frecuente. El funcionamiento pertenece a la categoría de empleo AC-3. Esta aplicación puede tener un número elevado de ciclos de maniobras (1). No es necesario tener en cuenta el pico de corriente en el arranque, ya que siempre es inferior al poder asignado de cierre del contactor (2). Los contactores elegidos para estos servicios toleran sin peligro un deterioro del 0,5 % de los ciclos de maniobras con corte de motor calado: golpeteo (3), régimen AC-4 accidental. Motor lanzado,significa que el motor se encuentra operando en su velocidad nominal o cerca de ella cuando se realiza la desconexión (corte) de la alimentación eléctrica.
Ejemplo
- U = 400 V trifásico
- P = 22 kW
- I empleo = 42 A,(Es la corriente que circula por el contactor durante su operación normal y continua, también conocida como corriente nominal de operación)
- I cortada = 42 A,(Es la corriente que el contactor debe interrumpir cuando se ordena la apertura de sus contactos principales)
El contactor será un LC1 D50. Según la tabla de durabilidad en AC-3, este contactor puede realizar 1,7 millones de ciclos de maniobras.
Notas técnicas
- En caso de arranques largos y reiterados, será necesario tener en cuenta el calentamiento térmico de los polos.
- Las normas sobre contactores determinan el poder asignado de corte y de cierre de cada contactor en función de la corriente asignada de empleo. Lo mismo sucede con los circuitos de carga para establecer la durabilidad eléctrica.
- Alimentación muy rápida del motor para realizar, por ejemplo, breves desplazamientos. El motor se separa de la red durante el arranque, por lo que la corriente que hay que cortar es mayor que durante un corte con motor lanzado.
| Contactor | Categoría | Ciclos maniobras |
|---|---|---|
| LC1 D50 | AC-3 | 1.700.000 |
Criterios de selección
- Tensión de red: 400 V ±10%
- Temperatura ambiente máxima: 55°C
- Frecuencia máxima de operación: 1200 ciclos/hora
3.7 Selección de un contactor para un motor asíncrono de jaula o de anillos.Corte durante el arranque o el frenado
Las categorías de empleo correspondientes a los motores de anillos y de jaula son, respectivamente, AC-2 y AC-4. Esta aplicación tiene un número elevado de ciclos de maniobras. La corriente que hay que cortar es muy elevada. Con cada corte, el arco que se origina entre los contactos destruye una mínima parte del metal noble con el que están fabricados. El desgaste es más rápido que en la categoría AC-3. Para conseguir una mayor durabilidad (1) en función de la potencia cortada, hay que elegir un contactor de mayor calibre.
Ejemplo
- U = 400 V trifásica
- P = 22 kW
- I de empleo = 42 A
- I cortada = 2,5 Ie, es decir, 105 A en AC-2
- I cortada = 6 Ie, es decir, 252 A en AC-4
Selección según tipo de motor
Motor de jaula
La tabla de durabilidad eléctrica en AC-2 y AC-4 establece, para 1 millón de ciclos de maniobras y una corriente cortada de 252 A, un contactor LC1 F265 (ver el catálogo Telemecanique).
Motor de anillos
En este caso, para 1 millón de ciclos de maniobras y una corriente cortada de 105 A, la misma tabla establece un contactor LC1 F115 (ver el catálogo Telemecanique).
| Contactor | Categoría | Corriente cortada | Ciclos (millones) |
|---|---|---|---|
| LC1 F265 | AC-4 | 252 A | 1 |
| LC1 F115 | AC-2 | 105 A | 1 |
Notas técnicas
- Durabilidad de un contactor = durabilidad eléctrica en función de la corriente cortada dividida por el número de ciclos de maniobras por hora × el número de horas de trabajo mensuales × el número de meses de trabajo anuales.
Ejemplo: 2.200.000 ciclos / (20 ciclos/hora × 200 h/mes × 12 meses/año) ≈ 45 años - La corriente térmica equivalente es la corriente que provoca la misma subida de temperatura que la corriente de pico en cuestión.
Observación práctica: En la realidad los motores nunca se utilizan en las condiciones extremas de la categoría AC-4 definidas por la norma. Las principales utilizaciones en estas condiciones difíciles se pueden descomponer en cortes con una corriente media de 4 Ie y el resto en AC-3.
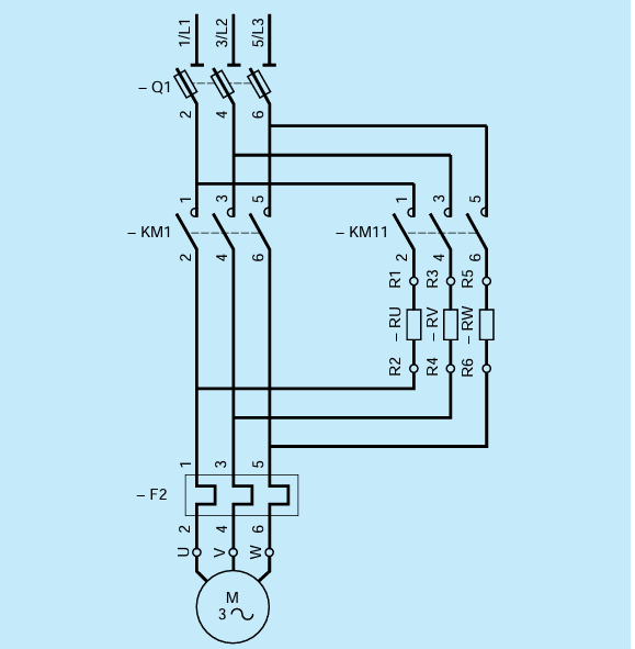
3.8 Selección de un contactor para cortocircuitar resistencias estatóricas
El siguiente esquema es un ejemplo de utilización del contactor KM11 para incluir en el circuito la resistencia de arranque con una corriente superior a la admitida en AC-3. Al final del arranque, el contactor KM1 cortocircuita KM11 y R. En estas condiciones, la corriente atraviesa el contactor KM11 solamente durante el tiempo que dura el arranque.
Ejemplo
- U = 400 V trifásica
- P = 22 kW
- I empleo = 42 A
- I arranque = 4 In
Características del arranque:
- Motor bajo tensión durante 15 minutos por hora
- Duración del arranque: 5 segundos
La corriente de pico es de 42 × 4 = 168 A
Si comprobamos en la tabla de la página 60 la corriente temporal admisible, vemos que el contactor LC1 D18 tolera una corriente de 185 A durante 5 s. Resulta pues muy apropiado, especialmente si tenemos en cuenta que tiene un poder asignado de cierre (300 A) superior al del pico de corriente de arranque, de 168 A.
El contactor KM1 utilizado en categoría AC-3 se elige utilizando la tabla de la página 61. El contactor LC1 D50 es válido para una durabilidad eléctrica de 2 millones de ciclos de maniobras.
| Contactor | 5 segundos | 10 segundos | Poder de cierre |
|---|---|---|---|
| LC1 D18 | 185 A | 145 A | 300 A |
Observación importante
La coordinación entre KM1 y KM11 debe garantizar que:
- KM1 solo opere cuando KM11 esté completamente abierto
- El tiempo de conmutación no supere los 100 ms
- La resistencia R tenga capacidad para disipar la energía durante los arranques repetitivos

3.9 Selección de un contactor para circuitos de potencia en corriente continua o de DC
En corriente continua no basta con determinar el tamaño del contactor, sino que también hay que determinar el número de polos conectados en serie. Los criterios de elección son:
- La corriente asignada de empleo Ie
- La tensión asignada de empleo Ue
- La categoría de empleo y la constante de tiempo L/R
- La durabilidad eléctrica dependiente de la potencia efectivamente cortada, cuando sea necesario
Selección del contactor
El número de polos que se conectan en serie con una tensión determinada depende del tipo de contactor. Utilice las tablas del catálogo publicado por Telemecanique, donde figuran las características de los contactores comercializados en el momento en que realice la elección.
Configuraciones posibles:
- Esquema a: Polos en serie en una única polaridad
- Esquema b: Polos repartidos entre dos polaridades
- Esquema c: Sustitución de cada polo en serie por n polos en paralelo (n Ie × 0,8 ≥ I)
Ejemplo de cálculo
- Corriente nominal del circuito: I = 150 A
- Tensión del sistema: U = 440 V DC
- Constante de tiempo L/R = 15 ms
Cálculo de polos en serie:
Npolos = Usistema / Upolo = 440 V / 220 V = 2 polos en serie
Corriente por polo:
Ipolo = Itotal = 150 A (configuración serie)
| Modelo | Ue (V DC) | Ie (A) | Polos serie |
|---|---|---|---|
| LC1 D800 | 220 | 100 | 2 |
| LC1 D1500 | 440 | 150 | 1 |
Durabilidad eléctrica
- Depende de la potencia cortada: P = U × I
- Para 440 V DC y 150 A: P = 66 kW
- Se recomienda aumentar un 25% la capacidad nominal para ciclos frecuentes
Recomendaciones clave
- Usar contactores específicos para DC con cámaras de extinción mejoradas
- Implementar resistencias de amortiguación en circuitos inductivos
- Verificar la coordinación con fusibles tipo gDC




